The Adequate Audio Filter

Some of my homemade receivers have wide band pass reception. That’s fine for listening to broadcast stations and casual monitoring but when trying to carry on a conversation with a weak CW signal then I sometimes would appreciate hearing less background noise and QRM. Some simple SSB capable kits like the Epiphyte, BITX, uBITX, and KD1JV Slopbucket have crystal filters designed for voice modes but suffer on CW. A little audio filtering would be beneficial at times.

David Cripe (NM0S) designed a very effective (and popular!) filter that is used in the 4 State QRP HiPerMite and QRPLabs QCX. It’s performance is excellent but the circuit is a bit complex and depends upon rather precise values. More importantly, the circuits are large.

I still had several rigs that could certainly use a bit more CW filtering but some had very little space available. I didn't need anything fancy, just something barely adequate, something small, something that didn't require me to buy anything.

I had several surface mount style operational amplifier chips in the drawer and I noticed that some of them were the LM1458 type that I've often used for audio output amplifiers. If I could get by with using just one, and a few small passive parts, maybe I could mount it on one side of a microminiature 3.5mm jack! One additional hole in the case or panel, no extra supports needed! Or maybe on the side of a microminiature toggle switch where one position bypasses the filter.

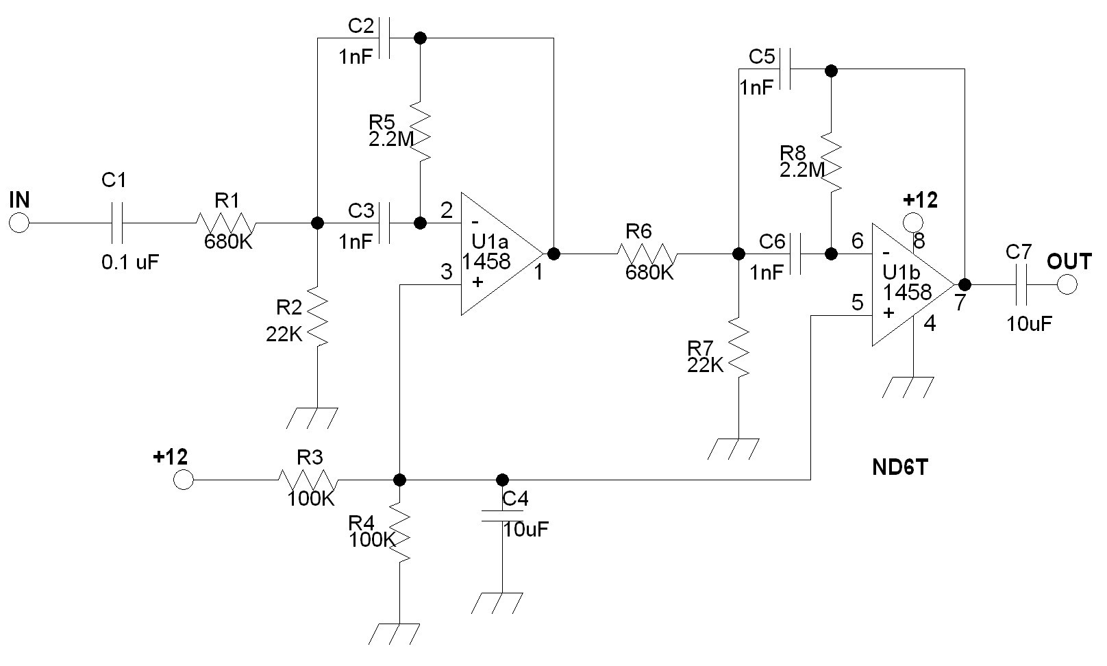
The '1458 comes with two op amps in that package so I was able to simply cascade two identical active filters in series for improved performance with just the most basic of designs. Instead of exotic capacitor values, common 1 nanoFarad ( .001 uF ) capacitors and 10% decade values of resistors (the most common values) combine to peak around 700 Hz. The '1458 has a very wide supply voltage range and seems impervious to short term output shorts.

Just 16 parts. Here is the list:

The basic circuit is nothing special, just a couple of simple Multi-Feed-Back band-pass filters with low gain and 650 Hz center frequency. The architecture can be found in any literature explaining active filters. The advantage is the simplicity and the common values of the components.

A square piece of single-sided printed circuit board, 13mm on each side, seemed to fit the requirements. Some preliminary sketching suggested a usable layout and by positioning the proper sized parts I arrived at a board cut pattern.

Jumperless single layer board layout is easier with simple circuits. Besides the half voltage supply that enables single voltage operation of the amplifier, there is only one other connection that needs to be routed beneath a component; the interstage connection. That is run beneath the output coupling capacitor (C7). Make that trace narrow enough so that you can avoid accidental connection with C7's end connections.

When idle the circuit draws less than 1 milliamp from 5 to 20 volts. It will drive headphones or an efficient speaker directly.

Bandwidth depends upon the load impedance but is generally about 150 Hz wide but the skirts do not fall as quickly as more complex filter designs. Instead, signals above 1 kHz are usually only 20 dB down which can be a good thing. Much easier to listen to for a long period of time and often allows the operator to hear signals that would not be heard with a more sophisticated filter. They just are not as annoying.

de ND6T



Return to Home